【机情无限 精彩毕设】机械2023届毕业设计(论文)中期检查优秀案例分享第二十一期——高超音速冲压发动机入口流道的CFD仿真和优化设计

学生姓名:苗韩得雨
班 级:热能2019-01班
指导教师:卢耀辉
毕设题目:高超音速冲压发动机入口流道的CFD仿真和优化设计


一、概况
1.选题意义
国防军事工业向来是国家最为重要的支柱产业之一,其往往代表着一个国家的最高科技水平和最高工业制造水平,而这其中又以航空航天工业的难度最大,要求最为严苛;现如今的航空航天产业以追求“高速、高效、精准和轻量化”为自己主要的发展目标,其中的“高速”便是要大力发展高超音速飞行器以满足空间技术探索和空天国土防御,而实现高超音速飞行则离不开高超音速冲压发动机为飞行器提供方动力。
高超音速冲压发动机属于典型的吸气式动力系统,入口流道是指发动机流管中位于燃烧室入口之前的部分,它担负着为发动机从大气中引入足够流量空气的任务,作为高超音速冲压发动机的重要组成部件之一,入口流道性能的优劣直接影响着冲压发动机的整体性能,因此做好入口流道的优化工作十分必要;高超音速冲压发动机要求入口流道具有较高的总压恢复系数、抗背压能力、较高的静压比和较好的出口流场品质,因此需要通过CFD计算流体仿真软件对高超音速冲压发动机入口流道的流体域进行建模并对模型进行仿真计算,分析不同的入口流道几何结构参数对流场评价性指标参数的影响变化趋势,并从压缩角大小、隔离段高度和隔离段长度等几个关键结构参数入手来改进高入口流道,最终实现优化的目的。
2.任务分解
(1)查阅国内外相关文献,对冲压发动机基本原理和其入口流道结构设计作初步了解和认识,并了解研究现状;翻译两篇SCI外文文献。( 2周) (2)学习使用Ansys2021R1-Fluent流体仿真软件。( 3周)
(3)根据相关文献资料确定入口流道的初始模型几何结构参数并完成网格无关性验证。( 2周)
(4)改进入口流道四个结构参数(一级压缩角、二级压缩角、隔离段高度和隔离段长度),每个参数改进6组,并完成各组仿真计算。 (3周)
(5)通过Isight软件构建代理模型,利用拉丁超立方(Latin Hypercube)抽样对四个结构参数的多组改进值进行随机抽样组合试验,筛选出符合要求的组别并完成仿真计算。(3周)
(6)选出一组优化效果最佳的几何参数并完成论文撰写;(3周)
(7)评阅及答辩:提交并检测论文,撰写答辩PPT,答辩。(1周)
二、已完成工作
1.已经完成参考文献的查找、阅读和学习工作,两篇SCI论文的翻译工作;
2.已完成Ansys Fluent 2021R1软件的各项学习工作,已掌握利用Fluent进行流体仿真的基本操作步骤,已基本掌握利用ICEM CFD软件对流体域进行网格划分的方法,已掌握各项计算设置的方法和后处理云图与出口参数报告的设置方法;

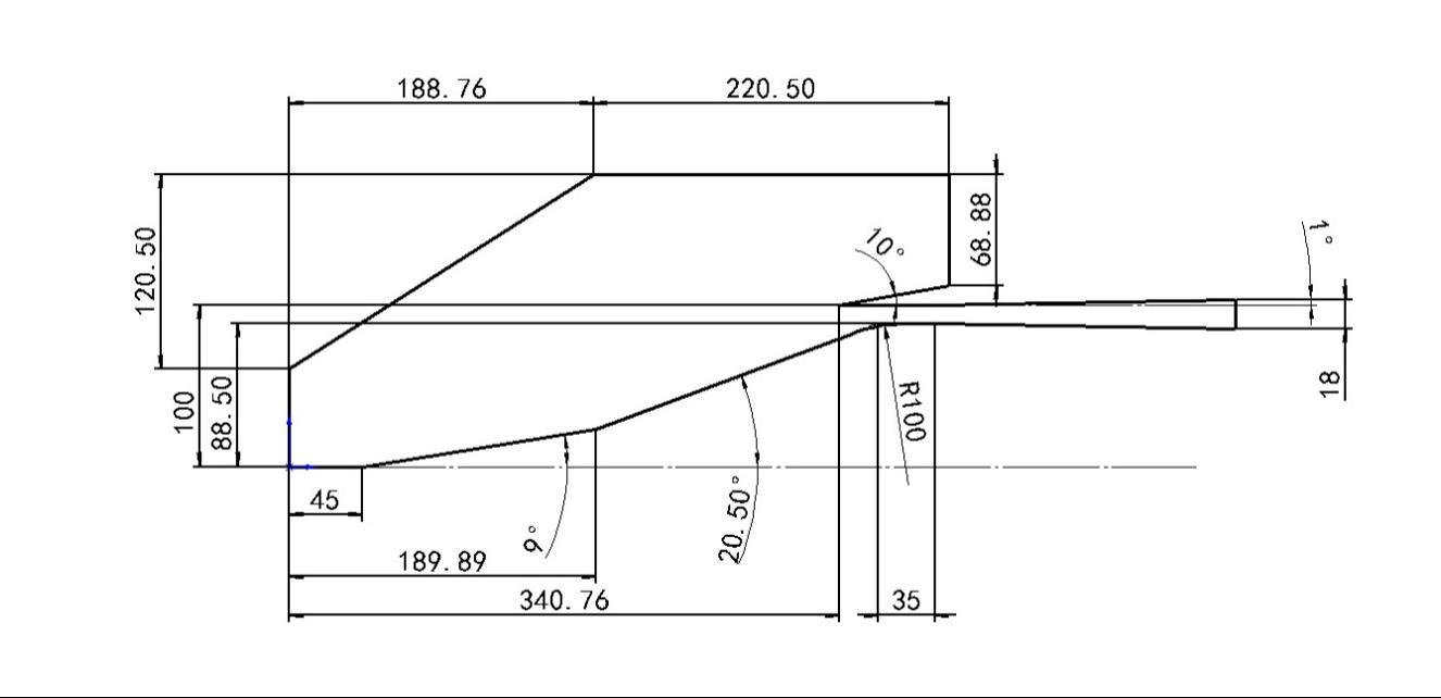
初始模型几何参数

网格尺度为0.001mm的静压云图
3.已完成进气道初步模型的建立,已完成网格无关性验证,确定网格最大尺寸为0.001mm;
4.已完成利用控制变量的方法对四个结构参数(一级压缩角,二级压缩角,隔离段高度和隔离段长度)依次改进5组并已进行仿真计算,已得到四个结构参数对进气道性能和评价性指标参数影响的大体趋势,并已得到一组优化后的结构参数。
改进模型与初始模型出口参数与评价性指标参数对比
三、下一步工作计划
下一步将利用Isight软件建立代理模型的方法对四个结构参数进行限定变化范围的随机抽样组合试验,采用拉丁超立方体(Latin Hypercube)抽样方法,依据在上一步通过控制变量的方法确定的四个结构参数对评价性指标参数的大致影响趋势进行筛选,对满足要求的实验组别进行建模和仿真计算,对比计算结果最终确定优化后的结构参数,最后完成设计报告和论文的撰写工作。

问题一:你所选的要改进的几何参数是什么?你的依据是什么?
回答:我所选择的待改进几何参数分别是一级压缩角、二级压缩角、隔离段高度和隔离段长度四个,这样设定是基于二元超音速进气道原理和相关文献资料。
问题二:你抽样采用的方法是什么?样本数量你大概确定为多少?你如何将抽样与实际结合起来?
回答:我抽样采用的是拉丁超立方抽样方法 ,大概确定的样本数量为50到80组,我将依据之前通过控制变量原则确定的各几何参数与评价性指标参数之间的变化趋势和最优解可能存在的置信区间对抽样结果进行筛选,筛选出符合我本次设计物理模型要求的组别再进行仿真。

通过本次中期检查答辩,我加深了对自己毕业设计题目理解的深度,通过回答评委老师们的问题我对我的毕业设计选题有了更多的想法和更加开阔的思路;在这期间,评委老师向我指出了我目前存在的一些错误和问题,同时也向我提出了很多具有建设性的改进建议,这对我后半学期的毕业设计收尾工作和论文的撰写都有很大的帮助,我在接下来的工作中会听取老师们的建议并加以改正,努力使自己的毕业设计做得更好更精彩。